-
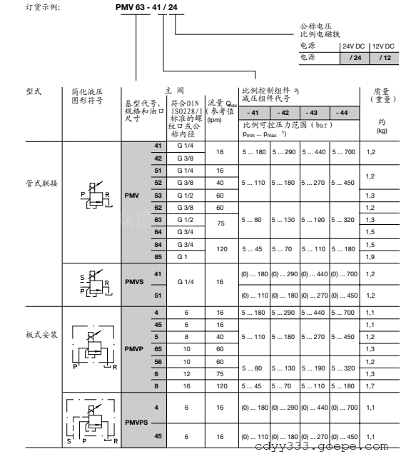
HAWE哈威PMV和PMVP型比例溢流阀液压泵阀现货PMVP5-43/G24
详细信息| 询价留言品牌:HAWE哈威 型号:PMVP5-43/G24 加工定制:否 材质:铸铁 连接形式:快装 类型:先导式 适用介质:油品 压力环境:常压 工作温度:常温 流动方向:单向 介质温度:-10-80 ℃ 工作温度:常温 四川众德利国际贸易有限公司是德国HAWE哈威,万福乐Wandfluh和法国力度克HYDRO LEDUC的代理
我司优势品牌:,威格士VICKERS德国 REXROTH (力士乐)、德国贺德克(HYDAC)、美国 PARKER (派 克)、美国SUN(太阳)、 比利(BIERI)、意大利 ATOS(阿托斯)等液压产品常规型号常有滚动备货
HAWE哈威PMV和PMVP型比例溢流阀,可对液压回路中的系统压务实现电比例调节.
显然,在断电状况,系统将处于*低压力.此压力值取决于流量(流阻压降)或通过调节螺钉设定的*小值(见第2节)
HAWE哈威PMV和PMVP型比例溢流阀的特点是,控制油为外控,与主油路分开(约200bar).
它的应用主要包括:
用于高压系统,以提高压力控制器件的寿命
用于很低压力(0--5bar)场合,能籍助于控制压力保持阀的可调性。
用于高压系统主回路,可长时间保压而无控制油损失(译注;普通先导式比例压力阀工作时,始终存在先导油的损失,而本比例阀由于是用三通比例减压阀进行控制,在正常运行时,不存在这种先导油的损失(调节过程除外)。
控制回路大约需要1 L/min的控制流量,控制油将由例如;
径向柱塞泵单独的压力出口提供,径向柱塞泵要符全D6010S的要求
HAWE哈威PMV和PMVP型比例溢流阀需要比例放大器进行控制.
常规型号如下:
PMV41-43/G24
PMV42-43/G24
PMV53-43/G24
PMV63-41/G24
PMVS41-44/G24
PMVS51-43/G24
PMVP4-41/G24
PMVP4-42/G24
PMVP4-43/G24
PMVP4-44/G24
PMVP45-42/G24
PMVP45-43/G24
PMVP5-42/G24
PMVP5-43/G24
PMVP5-44/G24
PMVP56-41/G12
PMVP56-41/G24
PMVP6-43/G24
PMVP65-44/G24
PMVP8-44/G24
具体型号请联系咨询!
-
留 言
- 联系人:刘慧奇
- 电 话:17716133367
- 手 机:17716133367
- 传 真:微信同号
- 邮 箱:2026004483@qq.com
- 邮 编:610000
- 地 址:成都市金牛区兴盛西路2号5栋A座1-1
- 网 址: https://cdyy333.cn.goepe.com/
http://www.zhongdeligjmy.com
-
产品搜索
-
供应产品
-
威格士VICKERS液压柱塞油泵PVM131ER13GS02BYA28000001A0A -
万福乐WANDFLUH液压无泄漏换向阀AM4306/P1,7/T2,0-G24-M29 -
威格士VICKERS液压比例阀KBSDG4V-3-92L-12N-M1-PE7-H7-12 -
力士乐REXROTH液压柱塞油泵AA10VSO140DR/31R-PPB12N00 -
REXROTH (力士乐) REXROTH (力士乐)液压柱塞油泵A10VS028DFR1/31R-PPA12NOO -
REXROTH (力士乐)液压柱塞油泵A10VSO18DFR1/31R-PPA12NOO -
力士乐REXROTH柱塞泵液压油泵A10VSO10DR/52R-PPA14N00 -
威格士VICKERS比例电磁阀KTG4V-3S-2B08N-M-U-H5-60 -
丹佛斯Danfoss液压变量柱塞马达83049272 H1-B-210-A-A-D2-M2-N- -
丹佛斯Danfoss液压泵JRRS75CLS2320NNN3S1NEA2NNNNJJJNNN -
力度克 HYDRO LEDUC 力度克 HYDRO LEDUC LEDUC 力度克 HYDRO LEDUC 深海石油微型高压柱塞泵代理油泵现货PB33HP -
威格士代理VICKERS比例液压换向阀KBDG5V-7-33C130N65-EX-M2-PE7-H1-10 -
威格士VICKERS代理齿轮泵液压油泵25500-RSD ABFAR00AB02000000000A0A 25500-RSD ABFAR00AB02000000000A0A -
万福乐Wandfluh代理比例阀BRWV4D42-8-24C1 -
威格士VICKERS代理电磁比例换向阀现货KDG4V-3-33C30X-H-M-U-H7-60 -
威格士VICKERS比例阀液压换向阀现货02-397870 DG4V4-012A-M-S3-PA5W-B-5-10-S633 -
威格士VICKERS丹佛斯比例阀液压现货857AN00134A KBDG5V-8-33C330N-X-M2-PE7-H1-11 -
威格士VICKERS美国丹佛斯比例阀6050797-001 KHDG5V-8-33C375N-X-VM-U1 20 -
威格士VICKERS871918 KHDG5V-5-2C100N-X-VM-U1-H1-20比例换向阀现货 -
威格士VICKERS871918 KHDG5V-5-2C100N-X-VM-U1-H1-20液压比例阀现货
-
-
供应产品
-
威格士VICKERS液压柱塞油泵PVM131ER13GS02BYA28000001A0A -
万福乐WANDFLUH液压无泄漏换向阀AM4306/P1,7/T2,0-G24-M29 -
威格士VICKERS液压比例阀KBSDG4V-3-92L-12N-M1-PE7-H7-12 -
力士乐REXROTH液压柱塞油泵AA10VSO140DR/31R-PPB12N00 -
REXROTH (力士乐) REXROTH (力士乐)液压柱塞油泵A10VS028DFR1/31R-PPA12NOO -
REXROTH (力士乐)液压柱塞油泵A10VSO18DFR1/31R-PPA12NOO -
力士乐REXROTH柱塞泵液压油泵A10VSO10DR/52R-PPA14N00 -
威格士VICKERS比例电磁阀KTG4V-3S-2B08N-M-U-H5-60 -
丹佛斯Danfoss液压变量柱塞马达83049272 H1-B-210-A-A-D2-M2-N- -
丹佛斯Danfoss液压泵JRRS75CLS2320NNN3S1NEA2NNNNJJJNNN -
力度克 HYDRO LEDUC 力度克 HYDRO LEDUC LEDUC 力度克 HYDRO LEDUC 深海石油微型高压柱塞泵代理油泵现货PB33HP -
威格士代理VICKERS比例液压换向阀KBDG5V-7-33C130N65-EX-M2-PE7-H1-10 -
威格士VICKERS代理齿轮泵液压油泵25500-RSD ABFAR00AB02000000000A0A 25500-RSD ABFAR00AB02000000000A0A -
万福乐Wandfluh代理比例阀BRWV4D42-8-24C1 -
威格士VICKERS代理电磁比例换向阀现货KDG4V-3-33C30X-H-M-U-H7-60 -
威格士VICKERS比例阀液压换向阀现货02-397870 DG4V4-012A-M-S3-PA5W-B-5-10-S633 -
威格士VICKERS丹佛斯比例阀液压现货857AN00134A KBDG5V-8-33C330N-X-M2-PE7-H1-11 -
威格士VICKERS美国丹佛斯比例阀6050797-001 KHDG5V-8-33C375N-X-VM-U1 20 -
威格士VICKERS871918 KHDG5V-5-2C100N-X-VM-U1-H1-20比例换向阀现货 -
威格士VICKERS871918 KHDG5V-5-2C100N-X-VM-U1-H1-20液压比例阀现货
-



