-
哈威HAWE比例溢流阀先导式PMVP45-43-X24
详细信息| 询价留言品牌:哈威HAWE 型号:PMVP45-43-X24 加工定制:否 材质:铸铁 连接形式:卡套 类型:先导式 适用介质:油品 压力环境:高压 工作温度:常温 流动方向:单向 介质温度:-10-80 ℃ 工作温度:常温 PMVP45-43-X24哈威hawe比例溢流阀
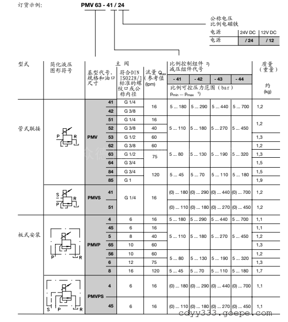
比例溢流阀系列产品PMV(P)和PMV(P)S型阀是直接作用式(译注;其两级三通减压阀作先导级,只是用来代替手轮对弹簧预紧力进行调节,从这个意义上讲是直接作用式)比例溢流阀,它包括主阀(球阀,弹簧,控制柱塞)和直接安装在主阀上的比例控制组件(比例减压阀,和初级减压阀)组成。
哈维质保一年PMVP45-42/G24哈威hawe比例溢流阀
四川众德利国际贸易有限公司是德国HAWE哈威,美国威格士(VICKERS),万福乐Wandfluh和法国力度克HYDRO LEDUC的授权代理
我司优势品牌:德国 REXROTH (力士乐)、德国贺德克(HYDAC)、美国 PARKER (派 克)、美国SUN(太阳)、 比利(BIERI)、意大利 ATOS(阿托斯)等液压产品常规型号均有备现货
经营产品:阀类:电磁阀、换向阀、单向阀、溢流阀、减压阀、平衡阀、插装阀、比例阀等
泵类:齿轮泵、柱塞泵、叶片泵等
液压辅件:蓄能器、冷却器、过滤器、放大器、压力继电器、压力传感器等
弹簧的预紧力通过调节螺钉来调节,这样,允许的比例可调压力范围,从下限pmin约3bar开始,控制电流低于起始电流,甚至反调到零安培,zui低压力值仍将保持为常数,尽管流量不同时会有所变化。为了PMV(P)型阀比例减压阀的优越功能,是需要3bar或更高一点的zui低压力。
盾构机比例溢流阀产品特点:
1.使用该系列的比例溢流阀可控制液压系统的压力。在液压系统中可多处使用
2.并可实现点比例遥控,从而达到限制高压力保护系统安全运行的目的。
3.法体结构紧凑,体积较小,方便运输和使用。并且使用时噪音较小。
4.使用该阀门可平衡应用系统的压力,当压力过大时可溢出释放压力。保障设备剂操作人员的安全,确保系统稳定运行。
名称 比例溢流阀,直接控制式,球座阀结构
紧固件 通孔或板式安装取决于型式,参见第4+ +节的元件尺寸图
安装位置 任意
油口 管螺纹符合DIN ISO 228/1 (取决于规格)或板式联接
P=压力油进口
R=回油口
S=控制油口
表面保护 镀锌(电磁铁镀锌和黄褐色钝化处理)
质量(重量) 型式约kg 型式约kg
PMV(S) 41 (51)1,21,2 PMVP(S) 4 (45)1,1
PMV 42 (52, 62) PMVP 5 (56)1,2
PMV 53 (63) PMVP 6 (65)
PMV 64 (84)1,5 PMVP 81,7
PMV 85 1,9
工作压力 油口PPmax根据调压范围
油口SP maxs= 700 bar
油口R,maxR≤20bar (回流,油箱;见第6页的Op-Q-曲线
工作介质 液压油按DIN51514的第1至第3部分,IS0 VG 10至68的规定(根据DIN51519 ) 粘度范围:约4~ 1500 mm2 /s
运行范围: 约10-500 mm2 /s
运行温度: 在+70° C以内,同样适合使用HEPG型(聚烷基乙二醇)和HEES 型(合成脂)可生物降解工作液。
温度 环境温度:约-40- +80° C
油液温度: - 25~ +80° C,注意其粘度范围
起动温度允许低至-40° C (注意起动粘度! ),随后的稳定运行温度至少升高20K。 可生物降解工作液:注意生产厂家提供的数据。考虑到密封件的兼容。

-
留 言
- 联系人:刘慧奇
- 电 话:17716133367
- 手 机:17716133367
- 传 真:微信同号
- 邮 箱:2026004483@qq.com
- 邮 编:610000
- 地 址:成都市金牛区兴盛西路2号5栋A座1-1
- 网 址: https://cdyy333.cn.goepe.com/
http://www.zhongdeligjmy.com
-
产品搜索
-
供应产品
-
威格士VICKERS液压柱塞油泵PVM131ER13GS02BYA28000001A0A -
万福乐WANDFLUH液压无泄漏换向阀AM4306/P1,7/T2,0-G24-M29 -
威格士VICKERS液压比例阀KBSDG4V-3-92L-12N-M1-PE7-H7-12 -
力士乐REXROTH液压柱塞油泵AA10VSO140DR/31R-PPB12N00 -
REXROTH (力士乐) REXROTH (力士乐)液压柱塞油泵A10VS028DFR1/31R-PPA12NOO -
REXROTH (力士乐)液压柱塞油泵A10VSO18DFR1/31R-PPA12NOO -
力士乐REXROTH柱塞泵液压油泵A10VSO10DR/52R-PPA14N00 -
威格士VICKERS比例电磁阀KTG4V-3S-2B08N-M-U-H5-60 -
丹佛斯Danfoss液压变量柱塞马达83049272 H1-B-210-A-A-D2-M2-N- -
丹佛斯Danfoss液压泵JRRS75CLS2320NNN3S1NEA2NNNNJJJNNN -
力度克 HYDRO LEDUC 力度克 HYDRO LEDUC LEDUC 力度克 HYDRO LEDUC 深海石油微型高压柱塞泵代理油泵现货PB33HP -
威格士代理VICKERS比例液压换向阀KBDG5V-7-33C130N65-EX-M2-PE7-H1-10 -
威格士VICKERS代理齿轮泵液压油泵25500-RSD ABFAR00AB02000000000A0A 25500-RSD ABFAR00AB02000000000A0A -
万福乐Wandfluh代理比例阀BRWV4D42-8-24C1 -
威格士VICKERS代理电磁比例换向阀现货KDG4V-3-33C30X-H-M-U-H7-60 -
威格士VICKERS比例阀液压换向阀现货02-397870 DG4V4-012A-M-S3-PA5W-B-5-10-S633 -
威格士VICKERS丹佛斯比例阀液压现货857AN00134A KBDG5V-8-33C330N-X-M2-PE7-H1-11 -
威格士VICKERS美国丹佛斯比例阀6050797-001 KHDG5V-8-33C375N-X-VM-U1 20 -
威格士VICKERS871918 KHDG5V-5-2C100N-X-VM-U1-H1-20比例换向阀现货 -
威格士VICKERS871918 KHDG5V-5-2C100N-X-VM-U1-H1-20液压比例阀现货
-
-
供应产品
-
威格士VICKERS液压柱塞油泵PVM131ER13GS02BYA28000001A0A -
万福乐WANDFLUH液压无泄漏换向阀AM4306/P1,7/T2,0-G24-M29 -
威格士VICKERS液压比例阀KBSDG4V-3-92L-12N-M1-PE7-H7-12 -
力士乐REXROTH液压柱塞油泵AA10VSO140DR/31R-PPB12N00 -
REXROTH (力士乐) REXROTH (力士乐)液压柱塞油泵A10VS028DFR1/31R-PPA12NOO -
REXROTH (力士乐)液压柱塞油泵A10VSO18DFR1/31R-PPA12NOO -
力士乐REXROTH柱塞泵液压油泵A10VSO10DR/52R-PPA14N00 -
威格士VICKERS比例电磁阀KTG4V-3S-2B08N-M-U-H5-60 -
丹佛斯Danfoss液压变量柱塞马达83049272 H1-B-210-A-A-D2-M2-N- -
丹佛斯Danfoss液压泵JRRS75CLS2320NNN3S1NEA2NNNNJJJNNN -
力度克 HYDRO LEDUC 力度克 HYDRO LEDUC LEDUC 力度克 HYDRO LEDUC 深海石油微型高压柱塞泵代理油泵现货PB33HP -
威格士代理VICKERS比例液压换向阀KBDG5V-7-33C130N65-EX-M2-PE7-H1-10 -
威格士VICKERS代理齿轮泵液压油泵25500-RSD ABFAR00AB02000000000A0A 25500-RSD ABFAR00AB02000000000A0A -
万福乐Wandfluh代理比例阀BRWV4D42-8-24C1 -
威格士VICKERS代理电磁比例换向阀现货KDG4V-3-33C30X-H-M-U-H7-60 -
威格士VICKERS比例阀液压换向阀现货02-397870 DG4V4-012A-M-S3-PA5W-B-5-10-S633 -
威格士VICKERS丹佛斯比例阀液压现货857AN00134A KBDG5V-8-33C330N-X-M2-PE7-H1-11 -
威格士VICKERS美国丹佛斯比例阀6050797-001 KHDG5V-8-33C375N-X-VM-U1 20 -
威格士VICKERS871918 KHDG5V-5-2C100N-X-VM-U1-H1-20比例换向阀现货 -
威格士VICKERS871918 KHDG5V-5-2C100N-X-VM-U1-H1-20液压比例阀现货
-


