-
哈威德国品牌HAWE压力继电器带表盘DG1RS
详细信息| 询价留言品牌:哈威 型号:DG1RS 应用范围:液压设备 额定电流:220 A 额定电压:24 V 触点负载:10 触点切换电流:100 触点形式:显示 触点负载:10 成都亿宇HAWE哈威原装DG1RS压力继电器,【机床使用】
成都亿宇HAWE哈威原装DG1RS压力继电器,【机床使用】
电气压力继电器是在受到压力负载时闭合或断开电触点的产品(DINISO 1219).它通常用来在达到和设定的压力值时,为下面的工作节拍(控制电磁换向阀)或终止一个节拍(切断泵电机,电磁换向阀置于零位)发出电控制指令或电信号.
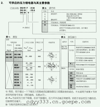
2,可供应的压力继电器与其主要参数
基型
开关内 接线盒 工作压力范围 负载压力
DG1R DG1RS 20-600 600
DG1RF DG1RFS
DG8 20-600(主开关)
DG8F 20-180(辅天关) 600
DG33 200-700
DG34 200-400
DG35 20-250 700
DG36 4-12
DG365 12-170
压力继电器 DG 1 R
压力继电器 DG 1 RF
压力继电器 DG 1 RF
压力继电器 DG 1 RFS
压力继电器 DG 1 RS
压力继电器 DG 2 MS-100
压力继电器 DG 33
压力继电器 DG 33
继电器 DG 34
压力继电器 DG 34
压力继电器 DG 34-1/4
压力继电器 DG 34-1/4
继电器 DG 35
压力继电器 DG 35-1/4
压力继电器 DG 35-1/4
压力继电器 DG 35-Y 1
压力继电器 DG 35-Y 8
压力继电器 DG 364
继电器 DG 365
压力继电器 DG 365-1/4
压力继电器 DG 5E-250

四川众德利国际贸易有限公司是德国HAWE哈威,美国威格士(VICKERS),万福乐Wandfluh和法国力度克HYDRO LEDUC的授权代理
我司优势品牌:德国 REXROTH (力士乐)、德国贺德克(HYDAC)、美国 PARKER (派 克)、美国SUN(太阳)、 比利(BIERI)、意大利 ATOS(阿托斯)等液压产品常规型号均有备现货
经营产品:阀类:电磁阀、换向阀、单向阀、溢流阀、减压阀、平衡阀、插装阀、比例阀等
泵类:齿轮泵、柱塞泵、叶片泵等
液压辅件:蓄能器、冷却器、过滤器、放大器、压力继电器、压力传感器等
-
留 言
- 联系人:刘慧奇
- 电 话:17716133367
- 手 机:17716133367
- 传 真:微信同号
- 邮 箱:2026004483@qq.com
- 邮 编:610000
- 地 址:成都市金牛区兴盛西路2号5栋A座1-1
- 网 址: https://cdyy333.cn.goepe.com/
http://www.zhongdeligjmy.com
-
产品搜索
-
供应产品
-
威格士VICKERS液压柱塞油泵PVM131ER13GS02BYA28000001A0A -
万福乐WANDFLUH液压无泄漏换向阀AM4306/P1,7/T2,0-G24-M29 -
威格士VICKERS液压比例阀KBSDG4V-3-92L-12N-M1-PE7-H7-12 -
力士乐REXROTH液压柱塞油泵AA10VSO140DR/31R-PPB12N00 -
REXROTH (力士乐) REXROTH (力士乐)液压柱塞油泵A10VS028DFR1/31R-PPA12NOO -
REXROTH (力士乐)液压柱塞油泵A10VSO18DFR1/31R-PPA12NOO -
力士乐REXROTH柱塞泵液压油泵A10VSO10DR/52R-PPA14N00 -
威格士VICKERS比例电磁阀KTG4V-3S-2B08N-M-U-H5-60 -
丹佛斯Danfoss液压变量柱塞马达83049272 H1-B-210-A-A-D2-M2-N- -
丹佛斯Danfoss液压泵JRRS75CLS2320NNN3S1NEA2NNNNJJJNNN -
力度克 HYDRO LEDUC 力度克 HYDRO LEDUC LEDUC 力度克 HYDRO LEDUC 深海石油微型高压柱塞泵代理油泵现货PB33HP -
威格士代理VICKERS比例液压换向阀KBDG5V-7-33C130N65-EX-M2-PE7-H1-10 -
威格士VICKERS代理齿轮泵液压油泵25500-RSD ABFAR00AB02000000000A0A 25500-RSD ABFAR00AB02000000000A0A -
万福乐Wandfluh代理比例阀BRWV4D42-8-24C1 -
威格士VICKERS代理电磁比例换向阀现货KDG4V-3-33C30X-H-M-U-H7-60 -
威格士VICKERS比例阀液压换向阀现货02-397870 DG4V4-012A-M-S3-PA5W-B-5-10-S633 -
威格士VICKERS丹佛斯比例阀液压现货857AN00134A KBDG5V-8-33C330N-X-M2-PE7-H1-11 -
威格士VICKERS美国丹佛斯比例阀6050797-001 KHDG5V-8-33C375N-X-VM-U1 20 -
威格士VICKERS871918 KHDG5V-5-2C100N-X-VM-U1-H1-20比例换向阀现货 -
威格士VICKERS871918 KHDG5V-5-2C100N-X-VM-U1-H1-20液压比例阀现货
-
-
供应产品
-
威格士VICKERS液压柱塞油泵PVM131ER13GS02BYA28000001A0A -
万福乐WANDFLUH液压无泄漏换向阀AM4306/P1,7/T2,0-G24-M29 -
威格士VICKERS液压比例阀KBSDG4V-3-92L-12N-M1-PE7-H7-12 -
力士乐REXROTH液压柱塞油泵AA10VSO140DR/31R-PPB12N00 -
REXROTH (力士乐) REXROTH (力士乐)液压柱塞油泵A10VS028DFR1/31R-PPA12NOO -
REXROTH (力士乐)液压柱塞油泵A10VSO18DFR1/31R-PPA12NOO -
力士乐REXROTH柱塞泵液压油泵A10VSO10DR/52R-PPA14N00 -
威格士VICKERS比例电磁阀KTG4V-3S-2B08N-M-U-H5-60 -
丹佛斯Danfoss液压变量柱塞马达83049272 H1-B-210-A-A-D2-M2-N- -
丹佛斯Danfoss液压泵JRRS75CLS2320NNN3S1NEA2NNNNJJJNNN -
力度克 HYDRO LEDUC 力度克 HYDRO LEDUC LEDUC 力度克 HYDRO LEDUC 深海石油微型高压柱塞泵代理油泵现货PB33HP -
威格士代理VICKERS比例液压换向阀KBDG5V-7-33C130N65-EX-M2-PE7-H1-10 -
威格士VICKERS代理齿轮泵液压油泵25500-RSD ABFAR00AB02000000000A0A 25500-RSD ABFAR00AB02000000000A0A -
万福乐Wandfluh代理比例阀BRWV4D42-8-24C1 -
威格士VICKERS代理电磁比例换向阀现货KDG4V-3-33C30X-H-M-U-H7-60 -
威格士VICKERS比例阀液压换向阀现货02-397870 DG4V4-012A-M-S3-PA5W-B-5-10-S633 -
威格士VICKERS丹佛斯比例阀液压现货857AN00134A KBDG5V-8-33C330N-X-M2-PE7-H1-11 -
威格士VICKERS美国丹佛斯比例阀6050797-001 KHDG5V-8-33C375N-X-VM-U1 20 -
威格士VICKERS871918 KHDG5V-5-2C100N-X-VM-U1-H1-20比例换向阀现货 -
威格士VICKERS871918 KHDG5V-5-2C100N-X-VM-U1-H1-20液压比例阀现货
-


