-
哈威HAWE代理压力开关继电器DG 5 E-100升级为DG51E-I-100、DG5E-250改为DG51E-I- 250
产品型号: DG 5 E-100升级为DG51E-I-100、DG5E-250改为DG51E-I- 250 品 牌: 哈威HAWE -
≧1 台
¥4999.00
所 在 地: 四川成都金牛区 更新日期: 2025-12-01 详细信息| 询价留言品牌:哈威HAWE 型号:DG 5 E-100升级为DG51E-I-100、D 应用范围:液压设备 额定电流:220 A 额定电压:24 V 触点负载:10 触点切换电流:100 触点形式:开关 触点负载:10 DG 5 E-100升级为DG51E-I-100、DG5E-250改为DG51E-I- 250

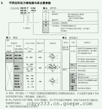
电液压力继电器在受到压力负载时闭合或断开电触点。当达到设定的压力值时,它能为下一工序过程发出电控制指令或信号。各种不同形式的压力继电器能适用于不同的使用场合。
由于结构原因,上切换点和下切换点之间必顺考虑8-20%差值。
此外在DG 5 E型压力继电器上,可选择两个独立的压力开关点。
DT型则是一个模拟压力传感器。
常用型号推荐:
DG1R
DG1RF
DG1RFS
DG1RS
DG2HS
DG2M
DG2MS-100
DG33
DG34
DG34-1/4
DG35
DG35-1/4
DG35V-YS6
DG35-Y1
DG35-Y8
DG364
DG365
DG365-1/4
DG365-Y8
DG36
DG36-M-1/4-8
DG5E-250
DG5E-400
DG5E-400-MSD-T7
DG5E-600
DG5E-600-MSD-T7
DG61R
DG62
DG62-MSD-T7
DG62R
DG62R-MSD-T7
DG8F
DG8P
DG 1 R
DG 1 RF
DG 1 RFS
DG 1 RS
DG 2 HS
DG 2 M
DG 2 MS-100
DG 33
DG 34
DG 34-1/4
DG 35
DG 35-1/4
DG 35V-YS 6
DG 35-Y 1
DG 35-Y 8
DG 364
DG 365
DG 365-1/4
DG 365-Y 8
DG 36
DG 36-M-1/4-8
DG 5E-250
DG 5E-250-Y 1 E -MSD-T7
DG 5E-400
DG 5E-400-MSD-T7
DG 5E-600
DG 5E-600-MSD-T7
DG 61 R
DG 62
DG 62-MSD-T7
DG 62 R
DG 62 R-MSD-T7
DG 8 F
DG 8 P
四川众德利国际贸易有限公司是德国HAWE哈威,美国威格士(VICKERS),万福乐Wandfluh和法国力度克HYDRO LEDUC的授权代理
我司优势品牌:德国 REXROTH (力士乐)、德国贺德克(HYDAC)、美国 PARKER (派 克)、意大利OMFB埃姆菲栢、美国SUN(太阳)、 比利(BIERI)、意大利 ATOS(阿托斯)等液压产品常规型号均有备现货
经营产品:阀类:电磁阀、换向阀、单向阀、溢流阀、减压阀、平衡阀、插装阀、比例阀等
泵类:齿轮泵、柱塞泵、叶片泵等
液压辅件:蓄能器、冷却器、过滤器、放大器、压力继电器、压力传感器等
DG 5 E-100升级为DG51E-I-100、DG5E-250改为DG51E-I- 250 -
-
留 言
- 联系人:刘慧奇
- 电 话:17716133367
- 手 机:17716133367
- 传 真:微信同号
- 邮 箱:2026004483@qq.com
- 邮 编:610000
- 地 址:成都市金牛区兴盛西路2号5栋A座1-1
- 网 址: https://cdyy333.cn.goepe.com/
http://www.zhongdeligjmy.com
-
产品搜索
-
供应产品
-
威格士VICKERS液压柱塞油泵PVM131ER13GS02BYA28000001A0A -
万福乐WANDFLUH液压无泄漏换向阀AM4306/P1,7/T2,0-G24-M29 -
威格士VICKERS液压比例阀KBSDG4V-3-92L-12N-M1-PE7-H7-12 -
力士乐REXROTH液压柱塞油泵AA10VSO140DR/31R-PPB12N00 -
REXROTH (力士乐) REXROTH (力士乐)液压柱塞油泵A10VS028DFR1/31R-PPA12NOO -
REXROTH (力士乐)液压柱塞油泵A10VSO18DFR1/31R-PPA12NOO -
力士乐REXROTH柱塞泵液压油泵A10VSO10DR/52R-PPA14N00 -
威格士VICKERS比例电磁阀KTG4V-3S-2B08N-M-U-H5-60 -
丹佛斯Danfoss液压变量柱塞马达83049272 H1-B-210-A-A-D2-M2-N- -
丹佛斯Danfoss液压泵JRRS75CLS2320NNN3S1NEA2NNNNJJJNNN -
力度克 HYDRO LEDUC 力度克 HYDRO LEDUC LEDUC 力度克 HYDRO LEDUC 深海石油微型高压柱塞泵代理油泵现货PB33HP -
威格士代理VICKERS比例液压换向阀KBDG5V-7-33C130N65-EX-M2-PE7-H1-10 -
威格士VICKERS代理齿轮泵液压油泵25500-RSD ABFAR00AB02000000000A0A 25500-RSD ABFAR00AB02000000000A0A -
万福乐Wandfluh代理比例阀BRWV4D42-8-24C1 -
威格士VICKERS代理电磁比例换向阀现货KDG4V-3-33C30X-H-M-U-H7-60 -
威格士VICKERS比例阀液压换向阀现货02-397870 DG4V4-012A-M-S3-PA5W-B-5-10-S633 -
威格士VICKERS丹佛斯比例阀液压现货857AN00134A KBDG5V-8-33C330N-X-M2-PE7-H1-11 -
威格士VICKERS美国丹佛斯比例阀6050797-001 KHDG5V-8-33C375N-X-VM-U1 20 -
威格士VICKERS871918 KHDG5V-5-2C100N-X-VM-U1-H1-20比例换向阀现货 -
威格士VICKERS871918 KHDG5V-5-2C100N-X-VM-U1-H1-20液压比例阀现货
-
-
供应产品
-
威格士VICKERS液压柱塞油泵PVM131ER13GS02BYA28000001A0A -
万福乐WANDFLUH液压无泄漏换向阀AM4306/P1,7/T2,0-G24-M29 -
威格士VICKERS液压比例阀KBSDG4V-3-92L-12N-M1-PE7-H7-12 -
力士乐REXROTH液压柱塞油泵AA10VSO140DR/31R-PPB12N00 -
REXROTH (力士乐) REXROTH (力士乐)液压柱塞油泵A10VS028DFR1/31R-PPA12NOO -
REXROTH (力士乐)液压柱塞油泵A10VSO18DFR1/31R-PPA12NOO -
力士乐REXROTH柱塞泵液压油泵A10VSO10DR/52R-PPA14N00 -
威格士VICKERS比例电磁阀KTG4V-3S-2B08N-M-U-H5-60 -
丹佛斯Danfoss液压变量柱塞马达83049272 H1-B-210-A-A-D2-M2-N- -
丹佛斯Danfoss液压泵JRRS75CLS2320NNN3S1NEA2NNNNJJJNNN -
力度克 HYDRO LEDUC 力度克 HYDRO LEDUC LEDUC 力度克 HYDRO LEDUC 深海石油微型高压柱塞泵代理油泵现货PB33HP -
威格士代理VICKERS比例液压换向阀KBDG5V-7-33C130N65-EX-M2-PE7-H1-10 -
威格士VICKERS代理齿轮泵液压油泵25500-RSD ABFAR00AB02000000000A0A 25500-RSD ABFAR00AB02000000000A0A -
万福乐Wandfluh代理比例阀BRWV4D42-8-24C1 -
威格士VICKERS代理电磁比例换向阀现货KDG4V-3-33C30X-H-M-U-H7-60 -
威格士VICKERS比例阀液压换向阀现货02-397870 DG4V4-012A-M-S3-PA5W-B-5-10-S633 -
威格士VICKERS丹佛斯比例阀液压现货857AN00134A KBDG5V-8-33C330N-X-M2-PE7-H1-11 -
威格士VICKERS美国丹佛斯比例阀6050797-001 KHDG5V-8-33C375N-X-VM-U1 20 -
威格士VICKERS871918 KHDG5V-5-2C100N-X-VM-U1-H1-20比例换向阀现货 -
威格士VICKERS871918 KHDG5V-5-2C100N-X-VM-U1-H1-20液压比例阀现货
-


